首页 - 高压清洗行业 - 3LP75三柱塞往复泵

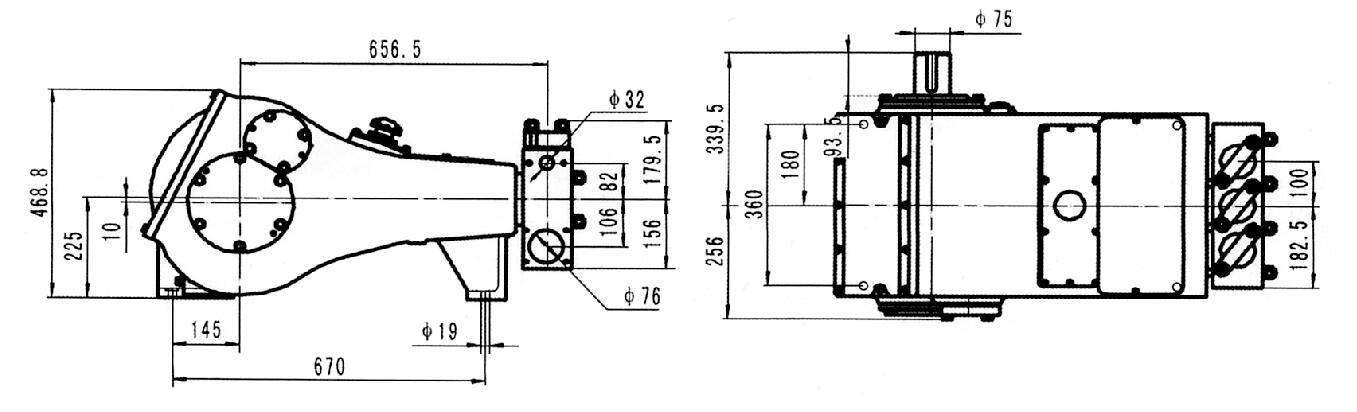
3LP75三柱塞往复泵

75-1.jpg

75-2.jpg


75-3.jpg


75-4.jpg

75-3.jpg

  • qqhao